服务热线:
QQ群:282292368 微信:a18232179
|
在线咨询
微信登录
|
免费注册
用户登录
|
QQ登录
|
我要上传资料
|
帮助中心
资料
资讯
首页
关于我们
行业资讯
下载中心
会员中心
帮助中心
联系方式
最新资讯
暖通施工图读图识图(案例实战)
CAD施工图深化进阶班
别墅宿舍公寓建筑结构水电暖CAD施工图
总11cd 土建施工图入门教程 学预算造价必备
建筑、结构施工图识图读图
别墅图纸农村自建房_1400+套
190套精选,别墅全套室内CAD+效果图
196套别墅全套室内CAD+效果图
499套农村自建房施工图 别墅设计图 设计方案-建造一套属于你的房子
588套 全套工装CAD+效果图 【17.9GB】
下载排行
下载中心
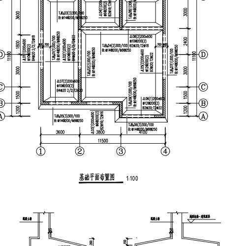
二层小楼的结构
发布用户:水清天高
发布时间:2025-11-09
文件类别:施工图纸
文件大小:21.99MB
立即下载
下载所需积分:
1
资料描述:
建筑的结构必须掌握,不然造成后期塌陷与地面裂缝
了解更多
正在下载请稍等...
下载完成
×
×
在线咨询
返回顶部